樓地面保溫施工是很多房地產項目都會做的,為了提高樓地面的保溫和隔聲效果,采用了效果比較好的浮筑樓地面系統,該系統采用了HKS樓地面保溫隔聲板為主材可以大幅度提高樓地面保溫隔聲效果。

一、HKS樓地面保溫隔聲板的優勢
該型號板材使用的是改性聚丙烯材料制作,減震彈性好,可以將樓地面撞擊聲降到62分貝,低于高要求標準的65分貝。同時導熱系數低于其他材料,保溫效果更好,厚度更薄,占用層高更少,更適合用在室內中,無毒無味。
二、樓地面保溫隔聲系統施工
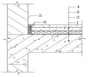
浮筑系統施工過程要求比較好,首先清理水泥地面,將毛坯房地面清理干凈;然后在樓地面邊角樹立豎向隔聲片,再在地面鋪設HKS樓地面保溫隔聲板,兩者材質相同,使用防水膠帶密封接縫;常規的材料需要在板材上鋪設防水層,HKS 板材不需要,因為它具有防水防潮防霉的效果;然后架設鋼絲網片作為保溫層龍骨;澆筑水泥混凝土,振實平整養護。

三、700萬方施工項目
海門市江城逸品項目
連云港市東盛四季花城項目
揚州市華信沁園項目
如東市經濟開發區四期項目
HKS改性聚丙烯保溫隔聲板因為性能優越,施工更加的方便,快捷,解決了常規材料面層易開裂問題,浙江眾創材料科技有限公司專業生產改性聚丙烯材料,研發生產改性聚丙烯保溫隔聲板滿足樓地面保溫隔聲需求。




浙公網安備33060202001100號